Eng Рус

Комплект для подкронового орошения садов РАМП 271.241.044

Технические характеристики

Режим полива позиционный
Расход воды — одним модулем, л/с 6,72
Расход воды — одним шлейфом, л/с 3,36
Расход воды — одним кольцом, л/с 0,42
Рабочее давление в начале модуля не менее, МПа 0,2
Рабочее давление шлейфа не менее, МПа 0,15
Рабочее давление в поливном кольце, МПа 0,05...0,01
Орошаемая площадь с одной позиции, га 0,11
Орошаемая площадь одним модулем, га 6,72
Расстояние между отводами для шлейфов, м 30,5; 36,6; 30,5×2; 36,6; 30,5
Рабочая длина шлейфа, м 28,0
Расстояние между поливными кольцами, м 4,0
Продолжительность полива одним шлейфом, час 0,5
Количество обслуживающего персонала,чел. 1

Краткое описание

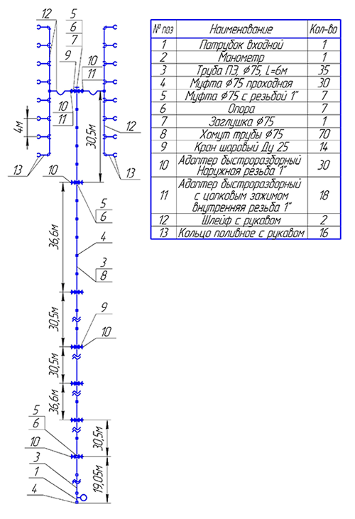
Комплект для подкронового орошения предназначен для мелкоструйчатого полива различных садовых культур, на различных типах почв, при общем уклоне поверхности земли и местных уклонах не более 0,02 во всех зонах орошаемого земледелия Российской Федерации. В состав модуля входят сборно-разборный трубопровод из полиэтиленовых труб диаметром 75 мм проходных полиуретановых и муфт с патрубком диаметром 75 мм для монтажа узлов подсоединения шлейфов, двух шлейфов из полиэтиленовых труб диаметром 32 с тройниками, адаптерами и поливных колец в количестве 8 шт. на одном шлейфе.

Поливной модуль состоит из полиэтиленового трубопровода диаметром 75 (3), проходных полиуретановых муфт диаметром 75 (4), муфт с патрубком (5), двух шлейфов из полиэтиленовых труб диаметром 32 (12), поливных колец с отверстиями (13), входного патрубка с манометром (1). На муфтах с патрубками (5) установлены тройники (6), шаровые краны (9) и адаптеры (10) для подсоединения двух шлейфов с обеих сторон муфты. К каждому шлейфу подсоединены восемь поливных колец (13).

Шлейф поливной состоит из полиэтиленовых труб диаметром 32, L=2 b L=4 м, соединенных между собой тройниками 32 — 1′. На последних трубах шлейфа установлены уголки 32 — 1′. В тройники и в уголки ввернуты быстроразборные адаптеры. Шлейф подсоединяется к адаптеру муфты диаметром 75 адаптером с цепковым зажимом, соединенным резиновым рукавом с центральным тройником шлейфа 32 — 1′.

Поливные кольца собраны из поливных дуг с тройниками 20 — 3/4′, соединенными резиновыми рукавами с адаптерами быстроразборными с цепковыми зажимами. Каждая дуга имеет заглушку диаметром 20.

Подсоединение колец к адаптерам шлейфа осуществляется адаптерами с цепковыми зажимами.

В каждый тройник 20 — 3/4′, собранный с резиновым рукавом и адаптером с цапковым зажимом, вставляют по две дуги с отверстиями. Операции по сборке аналогичны сборки труб диаметром 32 с тройниками шлейфа. Проверяют расстояние между заглушками диаметром 20, которое должно быть 0,25 м.

После сборки, все кольца (16 шт.) подсоединяют адаптерами к адаптерам шлейфа, а рычаги цапковых зажимов поворачивают на 180º.

Поливные кольца, разъемами между дугами, укладывают под деревьями, стараясь не задевать стволы. Расстояние от ствола дерева до кольца по всему диаметру должно быть одинаковое.

Комплект готов к работе.

Новизна комплекта подкронового дождевания подтверждена патентами РФ № 90653, № 112596.

Россия, 107139, г. Москва, Орликов переулок, д. 1/11 Справочная служба +7 (495) 607-80-00