Eng Рус

Комплект малоинтенсивного синхронного импульсного дождевания КСИД-Р

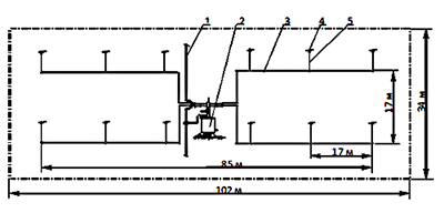
Принципиальная схема сети КСИД-Р
1 — распределительный трубопровод; 2 — дождеватель импульсный; 3 — поливной трубопровод; 4 — дождевальный аппарат; 5 — стояк.

Прошедший Государственные испытания в 2006 г.

Технические характеристики

Режим работы импульсный, непрерывный
Напор, м не менее 60
Расход — импульсный режим, л/с 0,25
Расход — непрерывный режим, л/с 3,6
Площадь орошения, га не менее 0,35
Схема расстановки насадок по квадрату (17×17 м)
Сред. интенсивность дождя — импульсный режим, мм/мин 0,004
Сред. интенсивность дождя — непрерывный режим, мм/мин 0,06
Масса оборудования, кг не более 90
Обслуживающий персонал, чел 1 на 30 комплектов

Краткое описание

Комплект малоинтенсивного синхронного импульсного дождевания КСИД-Р предназначен для малоинтенсивного непрерывного орошения сельскохозяйственных культур на протяжении всего вегетационного периода и регулирования в них микроклимата поливными нормами максимально приближенными к нормам суточного водопотребления. Комплект имеет возможность работать как в импульсном, так и в непрерывном периодическом режимах орошения. Применяется для орошения питомников плодовых и декоративных культур, овощных культур, в т.ч. зеленных, цветников, газонов и других сельскохозяйственных культур.

Комплект является блок-модулем для устройства оросительных систем.

Комплект представляет собой пневмогидроаккумуляторный бак полезным объёмом 15 л с разводящей сетью полиэтиленовых быстроразборных трубопроводов и 12-тью стояками с дождевальными аппаратами малой интенсивности.

Комплект является блок-модулем для построения систем синхронного импульсного дождевания. Площадь блок-модуля 0,35 га.

Комплект может работать как в непрерывном импульсном режиме дождевания, так и в непрерывном периодическом для создания влагозапаса в почве.

В автоматическом импульсном режиме круглосуточного дождевания на протяжении всей вегетации растений обеспечивается синхронная подача воды соответствующая ходу текущего водопотребления орошаемой культуры, постоянно поддерживая влажность активного слоя почвы на оптимальном уровне и создавая комфортную для растений влажность приземного слоя воздуха без резких их колебаний.

Россия, 107139, г. Москва, Орликов переулок, д. 1/11 Справочная служба +7 (495) 607-80-00